產品中心
瀏覽量:
1000
1
產品描述
產品規格
模型下載
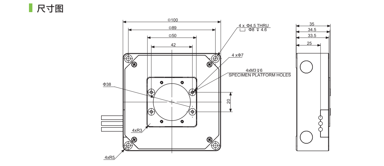
NNS-XY100Z15-01 重載XYZ三維納米定位平臺
NNS-XY100Z15-01是一款高精度三維納米定位平臺。具有尺寸小,頻率高,帶寬高,精度高的特點。行程100/100/15μm,分辨率 0.5/0.5/0.1nm。
典型應用
• 顯微成像 • 光學對準
• 光學測量 • 樣品對準
• 表面檢測 • 納米定位
• 精密加工
掃二維碼用手機看
未找到相應參數組,請于后臺屬性模板中添加
在線客服
客服熱線
022-29516025
微信公眾號
移動端網站
三英精控(天津)儀器設備有限公司是一家專注于超精密運動控制技術和產品的專業制造商。我們致力于為高端裝備的制造以及科學研究儀器的研發提供超精密運動控制技術的創新產品與解決方案。
總部地址:天津市武清開發區福源道 38 號 8 號樓
深圳分公司:深圳市光明區鳳凰街道鳳凰社區光明科技園A1棟704
上海辦公室:上海市浦東新區金吉路778號1幢4層402
西安辦公室:陜西省西安市高新區木塔寨西路719號萬達廣場3號樓1820室
成都辦公室:四川省成都市成華區太陽公元二期2-1-1303
武漢辦公室:湖北省武漢市東湖高新泛悅城1棟4101室
客服郵箱:sales@symc-tec.com
客服熱線:022-29516025(工作日08:30-17:30)
18526695114(微信同號)


